Pul Dizme Serpantin

Müşteri isteğine bağlı olarak, bakır ve özel alaşım olan pul dizme serpantinlerde, içten şişirme yapmak yerine daldırma lehim kaplama uygulanabilir. Bu kaplama sayesinde, ısı transferi arttırılırken, oksitlenme  hızı da azaltılmış olur. Pul dizme serpantinlerde, müşteri ihtiyacına göre boru sayısı değiştirilebilir (arttırılabilir veya azaltılabilir).
Broşür
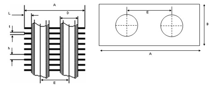
Boru sayısı Number of Tubes Pul Detayı Detail of Stamp Boru Detayı Detail of Tube ( ØD / CXD Oval ) Hatve Pitch (h)
ÖLÇÜ Dimension (AXB) Kalınlık Thickness (t)
Tek Boru Single Tube 60x35 0,4 35x14 Oval 3/7 
55,5x26,5 0,4 33x12,5 Oval 2,5
55x26 0,4 35x14 Oval 2 /3 /3,5
50x50 0,8 Ø 21,2 6
İki Boru Double Tube 84,5x26 0,4 Ø 28x10,5 Oval 3
145x70 2 Ø 38,6 7
99x49 0,4 Ø 27,5 4
95x41 0,4 Ø 16,2 7
88x38 0,4 Ø 21,8 4
88x38 0,4 Ø 20,5 4
63x33 0,4 Ø 15,6 3
62x37 0,4 Ø 20,3 3
62x37 0,4 Ø 16,5 3
49x25 0,4 Ø 11,8 44745
49x25 0,4 Ø 8,5 44745
31x16 0,4 Ø 10,3 1,5
Üç Boru Triple Tube 90x48 0,4 30,6x15 Oval 44745
196x65 1,5 Ø 26,5 6




AKIŞKAN TİPLERİ
Hava, su, deniz suyu, yağ, buhar, kızgın yağ, kimyasal içerikli sıvılar
KULLANIM YERLERİ
Tekstil makineleri hava ısıtıcıları,Kurutma makineleri hava ısıtıcıları,Klima santral hava ısıtıcıları,Hava soğutucuları ,Turbo şarj soğutucular,Yağ soğutucuları,Su soğutucuları
İKİ BORULU PUL DİZME SERPANTİN ÇEŞİTLERİ
» Karbon çelik dikişli ve çekme borulu, DKP kanatlı, içten şişirmeli serpantinler
» Karbon çelik dikişli ve çekme borulu, DKP kanatlı, sıcak daldırma galvaniz kaplamalı serpantinler
» Karbon çelik dikişli ve çekme borulu, bakır / alüminyum kanatlı, sıkı geçme serpantinler
» Paslanmaz borulu, paslanmaz kanatlı, içten şişirmeli serpantinler
» Paslanmaz borulu, bakır / alüminyum kanatlı, sıkı geçme serpantinler
» Bakır borulu, alüminyum / bakır kanatlı, sıkı geçme veya içten şişirme serpantinler
» Özel alaşım (bafon, pirinç vb.) borulu, bakır / alüminyum kanatlı, sıkı geçme veya içten şişirme serpantinler
» Rezistans üzerine, DKP / paslanmaz / alüminyum kanatlı, dıştan sıkıştırmalı serpantinler

BORU BİLGİSİ

Dış çapı, D= Ø 8-26.9 mm arasında çeşitli borularla kullanılabilen farklı kalıplarımız mevcuttur. Diğer ölçüler için müşteri ihtiyacına uygun olacak şekilde özel imalat yapılabilir.

KANAT DETAY BİLGİLERİ
Kanat Ölçüsü AxB  118x38- 99x49-95x41
88x38- 63x33-62x37 49x25- 1x16 mm
Kanat Kalınlığı t  0.4 mm
Hatve h 1.5-5 mm
İlgili Resim Şekil 1 ve 2


BACK TO TOP